產品說明

異型銅母線是一種定制化生產的非矩形截面排狀導體,在電力系統中用于匯集、分配和傳輸電能的核心導電部件,主要作用是實現不同電路間的電能傳遞。
參數 | |
載流量(母線溫度65℃) | 320A |
產品材料 | T2紫銅,銅含量≥99.9% |
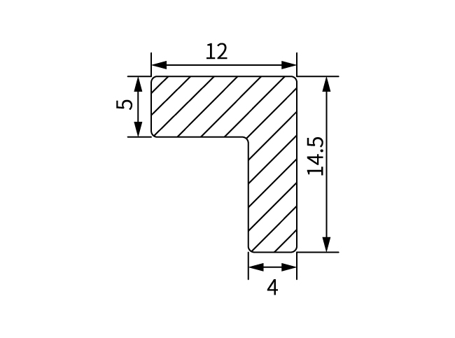
截面積 | 100mm2 |
| |
適用條件

母線系統 30 mm
產品優勢

免預處理,精簡操作流程
物理屏障,隔絕腐蝕物質
尺寸圖


訂貨號及對應型號規格
S表示母線的截面積,L表示母線的長度
DN51001:S=100mm2,L=2400mm;
在此基礎上,我們還可以根據需求,按照圖紙進行切割定制。
文件下載
