產品說明

型號:DNT5-R1J
名稱:半導體設備保護用熔斷器
安裝形式:接觸片式(平板型)
尺碼:5
符合 GB/T 13539.4 和 IEC 60269-4 標準
額定電壓:1250V AC
額定電流:1000 A - 2500 A
額定分斷能力:100 kA
分斷范圍及使用類別:aR
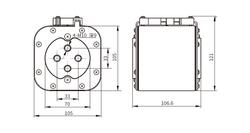
尺寸:106.6 mm ±1.5 × 121 mm ±1.5 × 105 mm
重量:/
包裝規格:
每盒裝件數:/
每箱裝件數:/
盒包裝尺寸:/
箱包裝尺寸:/
極數:1 極
補充說明:以上數據僅供參考,具體參數請咨詢工程師以獲取詳細和準確的信息。
適用條件

DNT5-R1J 系列半導體設備保護用熔斷體,適用于交流系統,額定電壓為1250V,額定電流為1000A~2500A,用于軌道交通、電動汽車新能源電站、通訊、電力行業。可作為動力系統、儲能系 統、逆變器、半導體設備元器件及設備的短路電流和過載電流保護。
產品優勢

響應迅速,立即切斷電流
穩定運行,提供電氣保護
節省空間,維護快速更換
應用廣泛,兼容多種設備
功能高效,低成本高效益
尺寸圖


文件下載

如果您有任何關于合作的報價或有任何查詢,請隨時給我們發電子郵件scb@grlele.com或使用下面的查詢表格。我們的銷售代表將在24小時內與您聯系。感謝您對我們產品感興趣。
我想購買DNT5-R1J-2500A/1250V AC