產品說明

訂貨號 DN54166 母線加長連接夾 250 A
適用母線 12、15、20×5、10
產品信息 | |
產品應用 | 母線加長連接 |
適用系統 | 60mm |
訂貨編號 | DN54166 |
產品類型 | 連接夾 |
額定電壓 | AC 690V |
額定電流 | 250A |
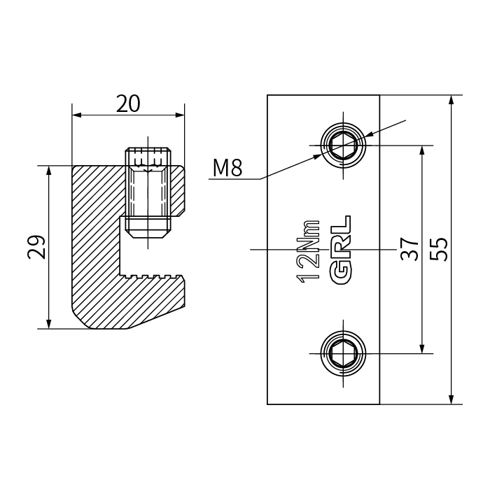
產品尺寸 寬×高 (mm) | 55×20 |
產品重量 | - |
適用母線 | 標準銅母線 12、15、20×5、10 |
緊定螺釘 | 內六角平端 M8×18 |
參考標準 | IEC 61439-1 |
注:以上數據僅供參考,具體參數請咨詢工程師。 | |
適用條件

適用主母線
12、15、20×5、10 矩形母線
產品優勢

采用無孔連接技術,通過母線夾可直接對電纜、母線進行連接,便捷高效
尺寸圖

DN54166 外形尺寸(mm)

文件下載
